
產品型號: R-7642N
產品名稱:?76鋼制滾筒自由輸送機
>>說明
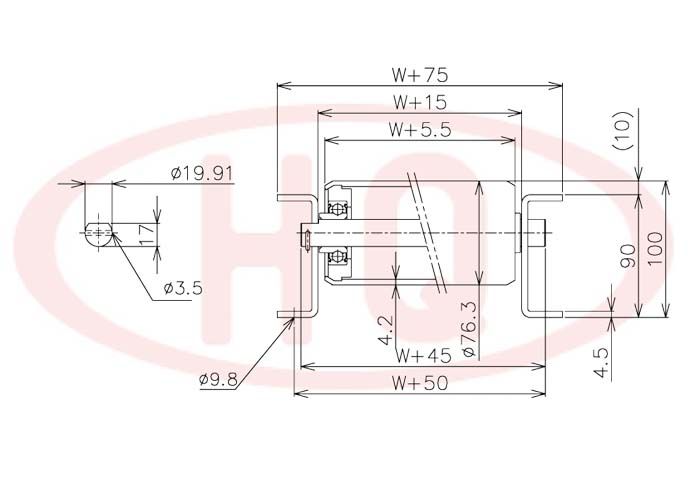
1.滾筒直徑:?76mm(壁厚4.2mm)
2.支架: 90mm槽鋼
3.幅寬: 100mm~1000mm
>>仕樣表
(單位 mm)
| 滾 筒 幅 寬 W (mm) | 100 | 200 | 300 | 400 | 500 | 600 | 700 | 800 | 900 | 1,000 | ||
| 輸送機幅寬 W+75 (mm) | 175 | 275 | 375 | 475 | 575 | 675 | 775 | 875 | 975 | 1,075 | ||
| 滾筒承重強度 (kg) | 720 | 680 | 640 | 600 | 600 | 572 | 544 | 516 | 488 | 460 | ||
| 輸送機重量 3,000L (kg) | 150P | 43.1 | 56.6 | 70.0 | 83.5 | 96.9 | 110.4 | 123.8 | 137.2 | 150.7 | 164.1 | |
| 200P | 37.9 | 48.4 | 58.8 | 69.3 | 79.8 | 90.3 | 100.7 | 111.2 | 123.7 | 132.1 | ||
| 滾筒(含軸)重量 (kg) | 1.6 | 2.5 | 3.5 | 4.4 | 5.4 | 6.3 | 7.3 | 8.2 | 9.1 | 10.0 | ||
>>仕樣表