
產品型號:W-40SL
產品名稱:?40沖壓福來輪 沖壓式滾輪流利條
>>說明
1.沖壓式滾輪流利條使用沖壓滾輪、福來輪、滾筒等,形式多樣。
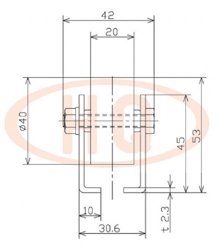
2.福來輪直徑:?40mm,福來輪寬度:20mm,使用軸:M6*38L
3.福來輪承載:20kg
4.福來輪表面處理:電鍍鋅
5.可以根據客戶要求定做。
>>W-40SL示意圖

>>仕樣表
(單位:mm)
型 號 | 福來輪尺寸 | 使用軸 |
W-40SL | 40×20×6.5×26 | M6 ×35L |
框架尺寸 | 機高 | 全 長 | 福來輪中心距 | 彎道半徑 | 單只福來輪承載(kg) | 參考 |
45×30.6×10×42×2.3 | 53 | 1,800?2,400 | 50?75?100 | 1,000 | 20 |